聲 明:
產品描述中所有文字、數據、圖片僅供參考,實際型號由使用工況決定!如果您需要更詳細了解【電磁高真空擋板閥GDC-J】的相關信息或索取相關資料,請聯系我們
![]() |
![]() |
|
適用范圍(Pa)
|
105~6.7x10-4
|
|
閥門漏率(Pa.L/S)
|
≤6.7x10-4
|
|
適用溫度(℃)
|
-25~+40
|
|
線圈溫升(℃)
|
≤65
|
|
開閉時間(S)
|
3~5
|
|
電源電壓(V/Hz)
|
220±10%/50
|
|
安裝方式
|
垂直
|
|
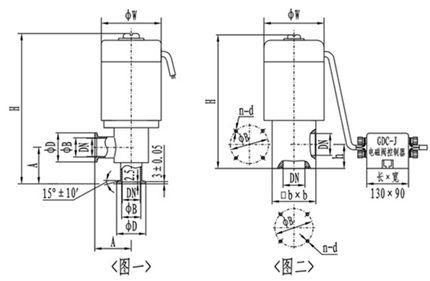
型號
|
通徑(DN)
|
ΦW
|
ΦD
|
ΦB
|
H
|
A
|
法蘭標準
|
|
GDC-J16A/KF
|
16
|
68
|
30
|
17.2
|
186
|
40
|
GB4982
|
|
GDC-J25A/KF
|
25
|
82
|
40
|
26.2
|
193
|
50
|
|
|
GDC-J40/KF
|
40
|
110
|
55
|
41.2
|
270
|
65
|
|
|
GDC-J50A/KF
|
50
|
125
|
75
|
52.2
|
307
|
70
|
/
|
|
型號
|
通徑(DN)
|
ΦW
|
ΦB
|
H
|
h
|
bxb
|
n-b
|
法蘭標準
|
|
GDC-J16A
|
16
|
68
|
42
|
165
|
28
|
48x48
|
4-M5
|
JB919
|
|
GDC-J25A
|
25
|
82
|
55
|
190
|
35
|
58x58
|
4-M6
|
|
|
GDC-J32
|
32
|
92
|
64
|
217
|
40
|
68x68
|
4-M6
|
|
|
GDC-J40
|
40
|
110
|
70
|
240
|
44
|
80x80
|
4-M6
|
|
|
GDC-J50A
|
50
|
125
|
90
|
285
|
56
|
95x95
|
4-M8
|
|
|
GDC-J65
|
65
|
135
|
105
|
315
|
65
|
115x115
|
4-M8
|
|
|
GDC-J80
|
80
|
165
|
125
|
358
|
75
|
140x140
|
4-M8
|